点胶机|焊台|万用表|集尘机|TRUSCO

400电话
当前位置: 首页 >附属关联元件 >产品详细介绍页
品牌名称

日本基恩士(KEYENCE)

683

0

产品分类
友情链接

接触头

  • 接触头
  • OP-81970
  • 日本基恩士(KEYENCE)
  • 1
  • 拍摄、编辑和美化您的高清杰作,然后将它们与世界分享。
  • 已有28人浏览
  • 4.0(已有0人评价)
  • 0
  • 购买数量: 购买中...

产品详细介绍

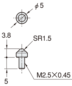
产品规格参数:

 

型号

OP-81970

类型

陶瓷(选配)

材质

SUS304,陶瓷

 

 

产品尺寸:

 

单位:mm